Wiring Diagrams - 1995 Toyota Supra Wiring Diagram
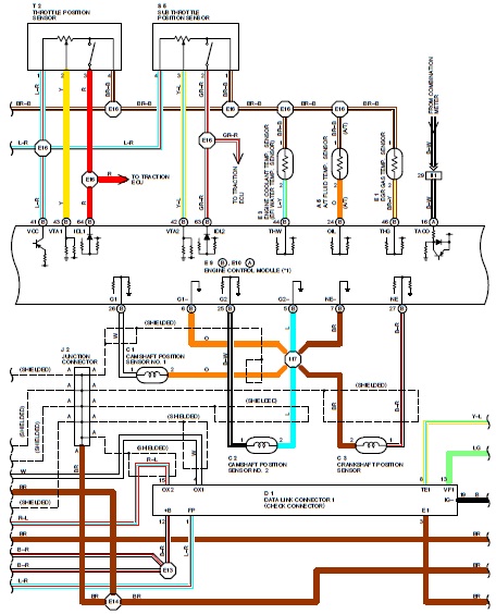
This wiring diagram is applicable for 1995 Toyota Supra. This manual provides information on the electrical circuit installed on the vehicles by dividing them into a circuit for each system. The actual wiring of each system circuit is shown from the point where the power source is received from the battery as far as each ground point.
The wiring diagram manual is divided into 12 main sections which are Index and Introduction; How to Use this Manual; Troubleshooting (Describes the basic inspection procedures for electrical circuits); Abbreviation; Glossary of Terms and Symbols; Relay Location (Shows position of the Electronic Control Unit, Relays, Relay Block, etc. This section is closely related to the system circuit); Electrical Wiring Routing (Describes position of Parts Connectors, Splice points, Ground points, etc. This section is closely related to the system circuit); Power Source (Describes power distribution from the power supply to various electrical loads); System Circuit (Electrical circuits of each system are shown from the power supply through ground points. Wiring connections and their positions are shown and classified by code according to the connection method); Ground Points; Overall Electrical Wiring Diagram (Provides circuit diagrams showing the circuit connections).
Home » Electrical Diagrams » Wiring Diagrams - 1995 Toyota Supra Wiring Diagram
Wiring Diagrams - 1995 Toyota Supra Wiring Diagram
Posted by Blogger.com on Monday, March 19, 2012
Labels:
Electrical Diagrams
{ 0 comments... read them below or add one }
Post a Comment